


使用范圍
用于駕駛室與機艙發送與回答主機轉速命令及執行情況的設備。產品是采用微處理器技術設計的電子式傳令種,四線電纜連接,具有配置靈活,連接電纜芯數少等優點。適用于各類大中小型船。
特點
檔位:KCL型傳令鐘區分十一檔,即進一、進二、進三、進四、停車、完車、備車、退一、退二、退三、退四。發信器和收信器不同步時,發出聲光報警器并輸出外部聲響觸點。
失電報警:當電源箱的主電源(AC220V)失電時,自動轉換到另一路(DC24V),同時發信器發出聲光報警信號,按發信器面板上“消音”鍵可消音。
試燈/調光:按發信器面板上“試燈”鍵,可測試面板指示燈狀態,若按鍵時間超過2秒則可調節指示燈至適當的亮度。
誤車報警:主機操作錯向時發信器和收信器的誤車LED燈閃亮,同時發出誤車報警聲和輸出無源觸點信號。糾正錯誤操作后,誤車報警自動撤銷。
切換鍵:按一下第一號(主機旁)收信器上“切換”鍵后,可將回令權轉移到第二號(集控室)收信器上,若再按一次該鍵,可撤銷轉移。
技術參數
供電:AC220V/02ADC24V/1A
環境溫度:-10~50℃
相對濕度:<RH95%
設備具有防振及防潮濕、防鹽霧、防霉菌的措施。
報警輸出為無源觸點,觸點容量為AC250V/0.3A或DC36V/1A
系統組成
| 序號 | 型號 | 名稱 | 重量 | 防護等級 |
| 1 | KCL-1T | 嵌式發信器 | 1.1Kg | IP20 |
| 2 | KCL-1R | 壁式收信器 | 1.1Kg | IP44 |
| 3 | KCL-1Q | 嵌式收信器 | 1.1Kg | IP20 |
| 4 | KCL-2T | 嵌式雙發信器 | 2.1Kg | IP20 |
| 5 | KCL-2Q | 嵌式雙收信器 | 2.1Kg | IP20 |
| 6 | KWY-1 | 電源箱 | 4.8Kg | IP22 |
| 7 | BL-2 | 電鈴 | 0.5Kg | IP44 |
注:復顯器僅顯示收發電流狀態,不發送信息
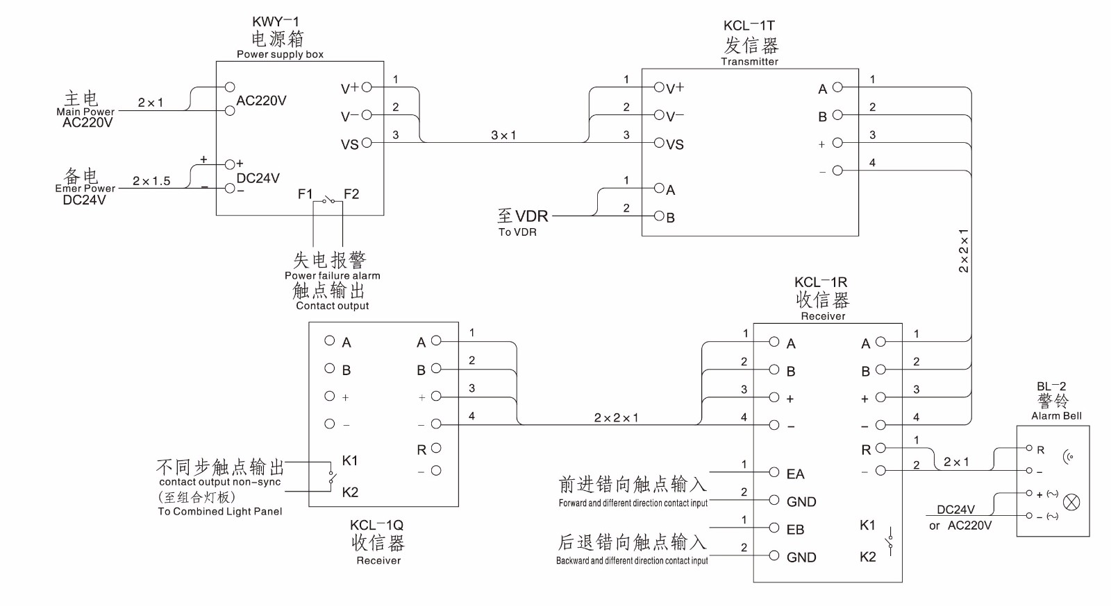
單主機系統接線圖

注:連接電纜均用2x2x1mm2 CHEFP型通訊電纜,外屏蔽層應可靠接地,發信器與收信器間的連接線請勿接錯
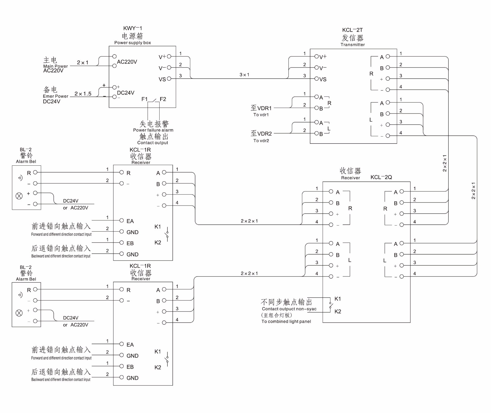
雙主機系統接線圖

注:連接電纜均用2x2x1mm2 CHEFP型通訊電纜,外屏蔽層應可靠接地,發信器與收信器間的連接線請勿接錯